| Availability: | |
|---|---|
| Quantity: | |
DG, SDG
Performance range
Flow rate: Q=3.75m³/h~500m3/h, head: H=54m~680m, conveying medium temperature: DG type pump≦130 C, allowable inlet pressure P0≦1.0Mpa (users must indicate the inlet pressure value when ordering)
Conveying medium
The pump conveying medium is clear water (with impurities less than 1%, particle size less than 0.1mm)
Structural features
This series of pumps is a horizontal single-suction multi-stage segmented centrifugal pump. The outlet of the pump is vertically upward, and the water inlet of the DG pump is vertically upward. The transmission mode of the pump is connected with the motor through an elastic coupling. The mechanical seal is not limited by the direction of rotation. The entire rotor of the water pump is supported by roller bearings at both ends of the shaft. The bearings are lubricated with grease, and the axial force of the pump is balanced by a balance plate.
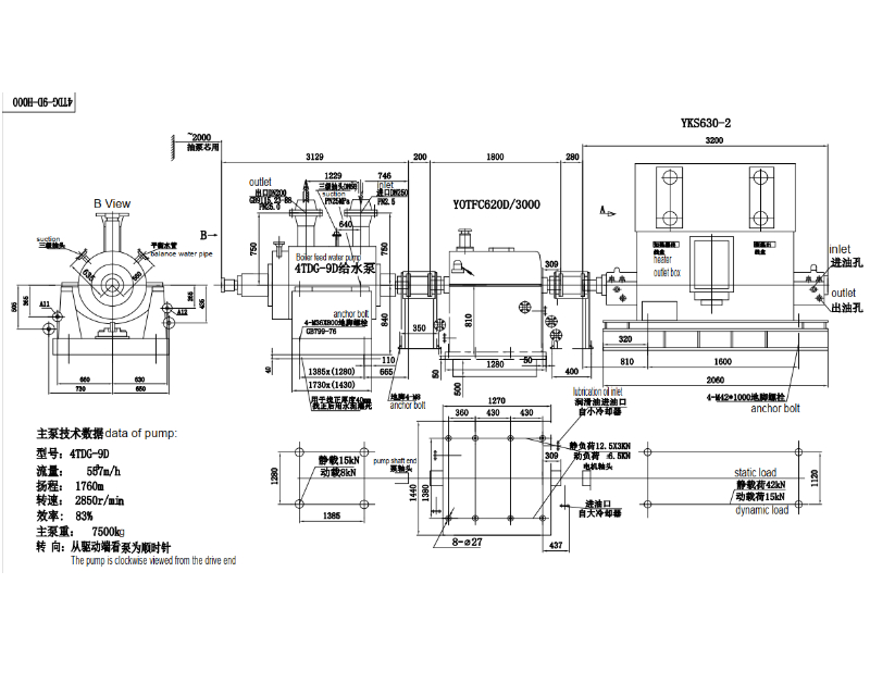
Take an example, there was one user wanted to replace the boiler water pump with capacity 557m³/h, head 1790m, rotary speed at 4700r/min. The whole set which including pump, coupling, motor, will be replaced. He need some one who can help him to do the calculation and give new supply but with budeget control. Based on his requirement and inquiry, we give him our design and cost control method finally.
Our designer consider this whole unit pump was replacement project, not new one. They do the calculation and to make sure the final dimension completely fulfill the requirement of site location space.
The mounting dimension drawing can let each dimension clear and help the user easy to confirm the new model suitable or not for the space.
Performance range
Flow rate: Q=3.75m³/h~500m3/h, head: H=54m~680m, conveying medium temperature: DG type pump≦130 C, allowable inlet pressure P0≦1.0Mpa (users must indicate the inlet pressure value when ordering)
Conveying medium
The pump conveying medium is clear water (with impurities less than 1%, particle size less than 0.1mm)
Structural features
This series of pumps is a horizontal single-suction multi-stage segmented centrifugal pump. The outlet of the pump is vertically upward, and the water inlet of the DG pump is vertically upward. The transmission mode of the pump is connected with the motor through an elastic coupling. The mechanical seal is not limited by the direction of rotation. The entire rotor of the water pump is supported by roller bearings at both ends of the shaft. The bearings are lubricated with grease, and the axial force of the pump is balanced by a balance plate.
Take an example, there was one user wanted to replace the boiler water pump with capacity 557m³/h, head 1790m, rotary speed at 4700r/min. The whole set which including pump, coupling, motor, will be replaced. He need some one who can help him to do the calculation and give new supply but with budeget control. Based on his requirement and inquiry, we give him our design and cost control method finally.
Our designer consider this whole unit pump was replacement project, not new one. They do the calculation and to make sure the final dimension completely fulfill the requirement of site location space.
The mounting dimension drawing can let each dimension clear and help the user easy to confirm the new model suitable or not for the space.
Phone: +86-532-82661521, 1522
+86 13730919470
Email: vera_yang@sinopowersd.cn
WhatsApp: +86 13730919470